日本財団 図書館


5.2.400 4.2.251 Orifice_plate
 Orifice_plateは流れを計測するためのPipe(原文4.2.261参照)に位置する穴の口径を測定する円盤となるFitting(原文4.2.130参照)の一タイプである。
注記)
Figure 48 depicts typical Orifice_plate.
 
(拡大画面:22KB)
 
 Orifice_plateに関連付けられたデータを下記。
−beta_ratio;
−bore_diameter;
−outside_diameter;
−thickness.
 
5.2.401 4.2.251.1 beta ratio
 beta ratioはPipe(原文4.2.261参照)の内径によって決定されるOrifice_plateにおける穴の直径を定義する。
 
5.2.402 4.2.251.2 bore_diameter
 bore_diameterはOrifice_plateがもつ穴の直径を示す。単一あるいは幅をもつ値となるかもしれない。
注記)
annex Lに単一の値あるいは幅をもつ値についての議論が記述されている。
 
5.2.403 4.2.251.3 outtside_diameter
 outside_diameterはOrifice_plateの外側の直径を示す。単一あるいは幅をもつ値となるかもしれない。
注記)
annex Lに単一の値あるいは幅をもつ値についての議論が記述されている。
 
5.2.404 4.2.251.4 thickness
 thicknessはOrifice_plateがもつふたつの面問の垂直な距離を示す。単一あるいは幅をもつ値となるかもしれない。
注記)
annex Lに単一の値あるいは幅をもつ値についての議論が記述されている。
 
5.2.405 4.2.252 outline_shape
 Outline_shapeはPlant_item(原文4.2.285参照)で干渉する曲面の特徴に応答しうる三次元の空間的な立体となるShape_representation(原文4.2.346参照)の一タイプである。
注記)
Detail_shape(原文42.100参照)をともなうコントラストおよびEnvelope_shape(原文4.2.115参照)である。Outline_Shapeは簡単なPlant_item(原文4.2.285参照)の形状表現である。この表現はcartoonと呼ばれるかもしれない。その表現はEnvelope_shapeでなくDetailed_shapeではないがそれに近い以上のより正確なPlant_itemの形状表現となる。
 
5.2.406 4.2.253 Outside_and_thickness
 Outside_and_thicknessは提供される外径および厚さの値による寸法を記述する
Piping_size_description(原文4.2.269参照)の一タイプである。
 outside_and_thicknessに関連付けられたデータを下記。
−Outside_diameter;
−thickness.
 
5.2.407 4.2.253.1 outside_diameter
 outside_diameterはPiping_system_component(原文4.2.275参照)あるいはPiping_connector(原文4.2.267参照)の外側の直径を示す。単一あるいは幅をもつ値となるかもしれない。
注記)
annex Lに単一の値あるいは幅をもつ値についての議論が記述されている。
 
5.2.408 4.2.253.2 thickness
 thicknessはPiping_system_component(原文4.2.275参照)あるいはPiping_connector(原文4.2.267参照)の曲面となるであろう配管の内側と外側間の距離の最小値を示す。単一あるいは幅をもつ値となるかもしれない。
注記)
annex Lに単一の値あるいは幅をもつ値についての議論が記述されている。
 
5.2.409 4.2.254 Pad
 padは管に取り付き変形を防止するPiping_support(原文4.2.273参照)の一タイプである。
注記)
下図は一般的なPadを示している。
 
Figure 49−pad
 
 Padに関連付けられたデータを下記。
−thickness.
 thicknessはPadの両面間の距離を示す。
 
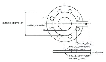
5.2.410 4.2.255 Paddlle_blank
 Paddle_blankはふたつのFlange(原文4.2.131参照)オブジェクト間および流れる材質の塊で空間を予め占拠するBlank(原文4.2.6参照)の一タイプである。
注記)
Paddle_blank has handle that permits removal or repositioning of the Paddle_blank.The name is derived from the fact that the Paddle_blank looks like ping pong paddle.
 
Paddle_blankに関連付けられたデータを下記。
−paddle_length;
−paddle_width.
 
5.2.411 4.2.255.1 paddle_length
 paddle_lengthはPaddle_blank上のもち手長さを示す。
 単一あるいは幅をもつ値となるかもしれない。
注記1)
その長さはBlank(原文4.2.6参照)の外径から計測される。
注記2)
annex Lに単一の値あるいは幅をもつ値についての議論が記述されている。
 
5.2.412 4.2.255.2 paddle_width
 paddle_widthはPaddlc_blank上のもち手の幅を示す。
 単一あるいは幅をもつ値となるかもしれない。
注記1)
annex Lに単一の値あるいは幅をもつ値についての議論が記述されている。
注記)
下図に一般的なPaddle_blankを示す。
 
(拡大画面:28KB)
 
5.2.413 4.2.256 Paddle_spacer
 Paddle_spacerはふたつのflange(原文4.2.131参照)オブジェクト間およびPipe(原文4.2.261参照)を通る流れの余地で空間を予め占拠するSpacer(原文4.2.360参照)の一タイプである。
注記1)
Paddle_spacerは内径の削除あるいは再位置決定の操作をもつ。
 
Paddle_spacerはPipeの径より小さくなるかもしれない。
注記)
下図に一般的なPaddle_spacerを示す
 
(拡大画面:22KB)
 
 Paddle_spacerに関連付けられたデータを下記。
−inside_diameter;
−paddle_length;
−paddle_width.
 
5.2.414 4.2.256.1 inside_diameter
 inside_diameterはPaddle_spacerに穿つ穴の直径を示す。単一あるいは幅をもつ値となるかもしれない。
注記)
annex Lに単一の値あるいは幅をもつ値についての議論が記述されている。
 
5.2.415 4.2.256.2 paddle_length
The paddle_lengthは示す。the length of the handle of the Paddle_spacer。単一あるいは幅をもつ値となるかもしれない。
注記1)
長さはPaddle_spacerの外径から計測される。
注記2)
annex Lに単一の値あるいは幅をもつ値についての議論が記述されている。
 
5.2.416 4.2.256.3 paddle_width
 paddle_widthはPaddle_spacerにおけるもち手の幅を示す。
 単一あるいは幅をもつ値となるかもしれない。
注記)
annex Lに単一の値あるいは幅をもつ値についての議論が記述されている。
 
5.2.417 4.2.257 Perforated_cap
 Perforated_capは閉曲面上に穴をもつCap(原文4.2.27参照)の一タイプである。
注記)
下図に一般的なPerforated_capを示す
 
(拡大画面:17KB)
 
 Perforated_capに関連付けられたデータを下記。
−end_2_connector;
−hole_diameter.
 
5.2.418 4.2.257.1 end_2_connector
 end_2_connectorはPerforated_capに接続する被服した配管のPipe(原文4.2.261参照)内側にあるPiping_connector(原文4.2.267参照)を示す。
 
5.2.419 4.2.257.2 hole_diameter
 hole_diameterはPcrforatcd_capにおける穴の直径である。
 
5.2.420 4.2.258 Perforated_plate
 Perforated_plateは曲面上にある穴をもつPlate(原文4.2.304参照)の一タイプである。
 Perforated_plateに関連付けられたデータを下記。
−end_2_connector;
−hole_diameter.
 
5.2.421 4.2.258.1 end_2_connector
 end_2_connectorはPcrforated_plateに接続する被服した配管のPipe(原文4.2.261参照)内側にあるPiping_connector(原文4.2.267参照)示す。
 
5.2.422 4.2.258.2 hole_diameter
 hole_diameterはPerforated_plateにおける穴の直径である。







日本財団図書館は、日本財団が運営しています。

  • 日本財団 THE NIPPON FOUNDATION