日本財団 図書館


13. Electric Equipment and System

 

Topics on the technology related to the ship electrical installations in 1999 include the application to the actual ship of the new electric propulsion system with applied power electronics, and the basic design of the high-voltage electric propulsion and dynamic positioning system (DPS), attracting attentions as the core technology in the next generation value-added ship.

It is also noted that the ISO/TC8 Conference was held by the International Standardization Organization on ships and marine structures. The computer Year 2000 (Y2K) which was internationally worried about resulted in no serious troubles by the crisis control countermeasures by the governmental and private sections, establishing a guideline to cope with similar problems in future.

 

13.1 Electric Propulsion System of Dredger which is also used as Oil Recovery

This novel electric propulsion system is planned to be adaptable to diversified working conditions as the main propulsion system of the dredging and oil-recovering ship "KAISHO" ordered by the Fourth District Port Construction Bureau of the Ministry of Transport. In the power elements of the control device, the IGBT (INSULATED GATE BIPOLAR TRANSISTOR) which is a kind of giant transistors is used for inverters and converters to control the propulsion speed. The propulsion control by this method is the first one in the world, and its major characteristics are described below.

(1) The inverters/converters controlled by PWM (PULSE WIDTH MODULATION) are employed to set the distortion factor of the bus bar voltage to be 5% or under.

(2) The power factor of the power supply is much higher, and the power generatoring, plant can be miniaturized.

(3) The torque ripple of the drive shaft for the propulsion motor is reduced by the adoption of the IGBT elements.

 

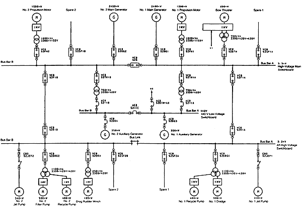
The electric propulsion system of the ship is out-lined below, and Fig. 13.1 shows the main wiring system.

(1)Main generator engine: 2650kW, 720 min-1, 2 unit

(2) Main generator: 2400kW, 10P, 3300V, 60Hz, 2 units

 

069-1.gif

Fig.13.1 Main Wiring Diagram

 

 

 

BACK   CONTENTS   NEXT

 






日本財団図書館は、日本財団が運営しています。

  • 日本財団 THE NIPPON FOUNDATION