日本財団 図書館


添付資料 14

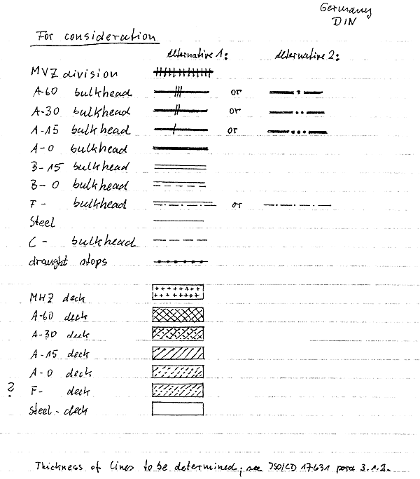
図記号提案の様式

 

103-1.gif

 

 

 

前ページ   目次へ   次ページ

 






日本財団図書館は、日本財団が運営しています。

  • 日本財団 THE NIPPON FOUNDATION