日本財団 図書館


5.2.153 4.2.163 Hvac_coupling
 Hvac_couplingはHvac_fitting(4.2.171参照)の一種であり、2つのHvac_component(4.2.159参照)間に曲げやすいまたは固定した接続部を作る。
Hvac_couplingに関連するデータは下記の通り。
−end_1_connector;
−end_2_connector;
−length;
−offset_x;
−offset_y.
 
5.2.154 4.2.163.1 end_1_connector
 end_1_connectorはHvac_couplingの第1接続端である。
 
5.2.155 4.2.163.2 end_2_connector
 end_2_connectorはHvac_couplingの第2接続端である。
 
5.2.156 4.2.163.3 length
 lengthはHvac_couplingの始まりから終わりまでの距離である。
 
5.2.157 4.2.163.4 offset_x
 offset_xはHvac_cross_section(4.2.164参照)のx軸に沿って測ったend_connector_1とend_connector_2の間の距離である。
 
5.2.158 4.2.163.5 offset_y
 offset_yはHvac_cross_section(4.2.164参照)のy軸に沿って測ったend_connector_1とend_connector_2の間の距離である。
 
5.2.159 4.2.164 Hvac_cross_section
 Hvac_cross_sectionはHvac_component(4.2.159参照)の構成物の中心軸に対して直角に切り取った面によって作られた平面である。これにより構成物の輪郭が分かる。各Hvac_cross_sectionはおそらく次のいずれかである−Cross_section_flat_oval(4.2.91参照)、Cross_section_non_standard(4.2.92参照)、Cross_section_radiused_corner(4.2.93参照)、Cross_section_rectangular(4.2.94参照)あるいはCross_section_round(4.2.95参照)。
 Hvac_cross_sectionに関連するデータは下記の通り。
−equivalent_diameter.
 Hvac_cross_sectionに関してequivalent_diameterという用語は、円形断面を持ちながら、円形断面を持たないダクトと同じ流量率で同じ圧力損失を持つダクトの直径を意味する。
 
5.2.160 4.2.165 Hvac_ducting
 Hvac_ductingはDucting_component(4.2.102参照)やHvac_component(4.2.159参照)の一種であり、Hvac_system(4.2.199参照)の一部であるダクトの断面や部材を識別できる部分である。
 Hvac_specification_idは一つのHvac_specification(4.2.197参照)を他と区別する名称である。
 Hvac_ductingに関連するデータは下記の通り。
−duct_path;
−duct_seam;
−length;
−end_1_connector;
−end_2_connector;
−friction_factor;
−roughness.
 
5.2.161 4.2.165.1 duct_Path
 duct_pathはHvac_ductingの中心線跡である。
 
5.2.162 4.2.165.2 duct_seam
 duct_seamはダクトの2つの面がお互いに重なりあるところにできる線である。
 
5.2.163 4.2.165.3 length
 lengthはHvac_ductingの初めから終わりまでの長さである。
 
5.2.164 4.2.165.4 end_1_connector
 end_1_connectorはダクトの一部の第1接続端である。
 
5.2.165 4.2.165.5 end_2_connector
 end_2_connectorはダクトの一部の第2接続端である。
 
5.2.166 4.2.165.6 friction_factor
 friction_factorとはHvac_ductingの定格圧力を計算するために使う無次元数である。
 
5.2.167 4.2.165.7 roughness
 roughnessとは流体が流れる表面の仕上げの品質である。
 
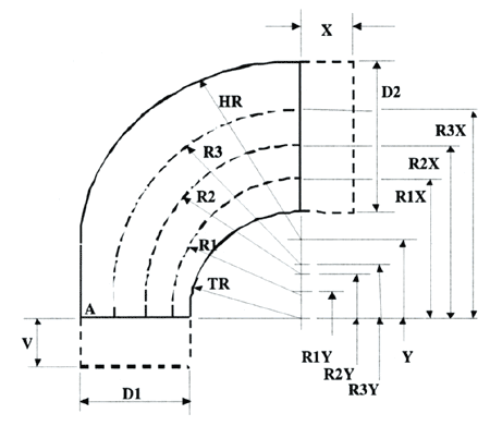
5.2.168 4.2.166 Hvac_elbow_90deg_reducing
 Hvac_elbow_90deg_reducingはHvac_fitting(4.2.171参照)の一種であり、そこで空気の流れる方向が90度回転し、断面があるサイズから他のサイズに変わる。幾何学的な観点から、中心から中心まで内部の曲線とともに2つの閉曲線があり、曲線上に面が作成される。
注1
幾何学的な観点から、中心から中心まで内部の曲線とともに2つの閉曲線があり、曲線上に面が作成される
注2
Figure33はHvac_elbow_90deg_reducingを表す。
 
Figure 33−Hvac_elbow_90deg_reducing
 
 Hvac_elbow_90deg_reducingに関連するデータは下記の通り。
−angle;
−throat_radius;
−heel_radius;
−heel_radius_centre_offset;
−end_1_connector;
−end_2_connector.
 
5.2.169 4.2.166.1 angle
 angleはエルボの曲がり角度である。
 
5.2.170 4.2.166.2 throat_radius
 throat_radiusはエルボの内径である。
 
5.2.171 4.2.166.3 heel_radius
 heel_radiusはエルボの外径である。
 
5.2.172 4.2.166.4 heel_radius_centre_offset
 heel_radius_centre_offsetは内径の中心からスプリッター中心までの垂直距離である。
 
5.2.173 4.2.166.5 end_1_connector
 end_1_connectorはエルボの第1接続端である。
 
5.2.174 4.2.166.6 end_2_connector
 end_2_connectorはエルボの第2接続端である。
 
5.2.175 4.2.167 Hvac_elbow_centred
 Hvac_elbow_centredはHvac_fitting(4.2.171参照)の一種であり、そこで空気の流れる方向が変わる。幾何学的観点から、中心から中心まで内部の曲線とともに2つの閉曲線があり、曲線上に面が作成される
Figure34はHvac_elbow_centredを表す。
 
Figure 34−Hvac_elbow_centred
 
 Hvac_elbow_centredに関連するデータは下記の通り。
−angle;
−width;
−height;
−throat_radius;
−heel_radius;
−end_1_connector;
−end_2_connector.
 
5.2.176 4.2.167.1 angle
 angleはエルボの曲がり角度である。
 
5.2.177 4.2.167.2 width
 widthはエルボの端から端までの距離である。これは図には表示されていない。
 
5.2.178 4.2.167.3 height
 heightは内径中心から外径までの垂直距離である。
 
5.2.179 4.2.167.4 throat_radius
 throat_radiusはエルボの内径である。
 
5.2.180 4.2.167.5 heel_radius
 heel_radiusはエルボの外径である。
 
5.2.181 4.2.167.6 end_connector
 end_1_connectorはエルボの第1接続端である。
 
5.2.182 4.2.167.7 end_2_connector
 end_2_connectorはエルボの第2接続端である。







日本財団図書館は、日本財団が運営しています。

  • 日本財団 THE NIPPON FOUNDATION