| 
 2.2 AP215の一般配置設計業務への適用 
 STEP APではAAM、ARM、AIMの3つのモデルで段階的に定義される。第一段階のAAMは一般配置設計業務の処理と情報の流れ(業務フロー)を定義し、AP215がその業務のどの部分を対象としているかを利用者に示す。第二段階のARMは一般配置設計業務の製品モデルを利用者が理解できる単位で定義し示す。第三段階のAIMは計算機システムで処理するための厳密に定義されたモデルである。従って実務上利用者がフォローできるのは、AAM、ARMまでで、AIMはSTEP製品モデル表現を熟知したシステム部門開発者あるいはソフトウェアベンダーである。 
 ここで「製品モデル」の用語を説明しておかなければならない。「製品モデル」とは業務対象の製品に関する技術情報全体のデータ表現で、単なるデータの羅列ではなく、そのデータに技術的意味ももたせた構造とすることによって、業務途中のデータや抽象的な概念を表現し、業務プロセスを管理支援することができる製品データの表現構造である。 
 STEPの製品モデル表現は、 
・製品の企画から廃棄までの製品ライフサイクル全体にかかわる製品データを表現する。 
・製品データの基準表現(AP215製品データ表現モデル)とソフトウェアシステムとしての実装(Part21、STEP交換ファイル形式)の規格とを分離することによってファイルによる交換のみでなく、データベースヘのアクセスインターフェイスの規格化も図る 
ことを目的としている。AP215の概要を図2.2−1に示す。図中「適用業務」として囲った項目はAAMで定義された一般配置設計業務フローで発生する作業である。AAMの詳細については 4章を参照されたい。  
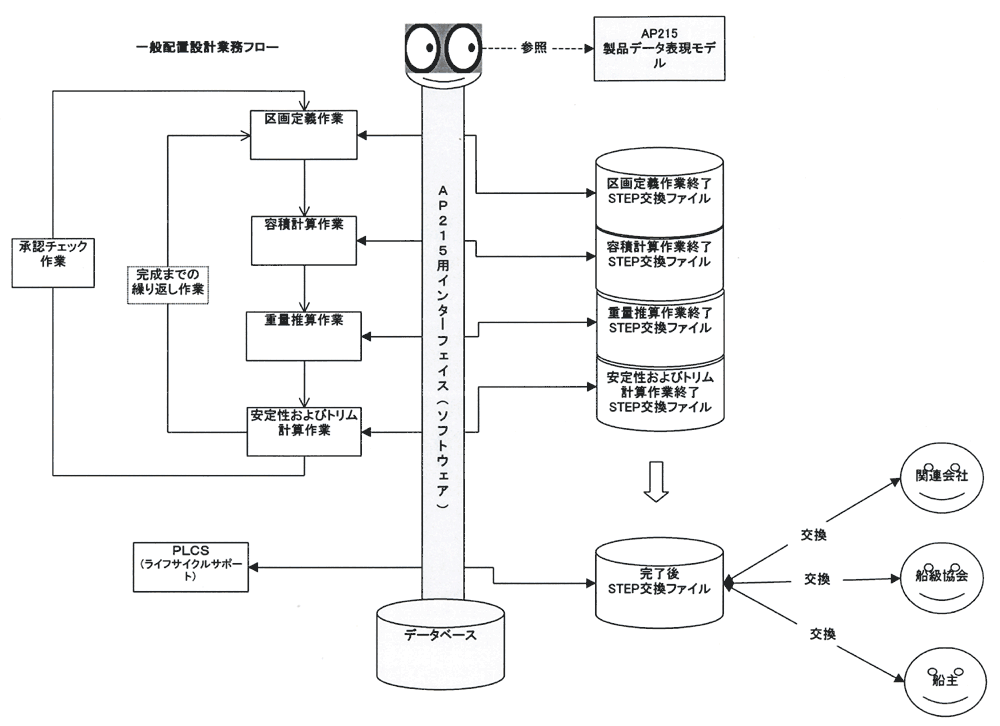
 一般配置設計業務で発生する作業とAP215で規定された製品データモデル表現(アプリケーションオブジェクト:AOおよび機能単位:UoF)の主なものとの対応を表2.2−1に示す。各AOおよびUoFの詳細については 5章を参照されたい。表は例えば、A12221区画定義作業で生成、変更される製品データがprincipal_characteristics(AO)などの表現形式を用いて記述されることを意味している。具体的には作業者がAOの表現形式を参照し実際のデータをPart21形式のSTEP交換ファイルのフォーマットで記述していくが、この作業は当然人力では不可能であるためインターフェイスプログラムやデータベースなどのソフトウェアシステムの支援が必要となる。このシステムの開発は業務内容に熟知した設計従事者とSTEP製品モデル表現を熟知したシステム部門開発者あるいはソフトウェアベンダーの共同作業で行われることになる。このようなソフトウェアシステムが完備した暁における業務フローを図2.2−2に示す。AP215で示されたこのAAMはあくまでも理想化された1モデルであり、システム開発に当たっては各社独自の業務フローすなわちビジネスモデルが存在し、実際のフローは図2.2−2で示したように単純ではないと思われる。複雑な実業務に対してどのように製品モデルを適用していくかは実務上重要な問題であるが、STEP製品モデルを核として効率的、発展的なビジネスモデルを一旦組み上げてしまえば、インターネット技術に代表されるIT技術と相まって計り知れないビジネスチャンスが生まれるものと期待される。STEP規格の適用は実務者による規格の理解と同時に現状の業務形態を将来を見据えたあるべき姿に改変する視点が必要である。  
  
 
| (拡大画面:637KB) | 
 
 
  | 
 
 
図2.2−1 AP215の概要 
  
表2.2−1 一般配置設計業務フローとAOの対応 
 
| (拡大画面:105KB) | 
 
 
  | 
 
 
  
 
| (拡大画面:52KB) | 
 
 
  | 
 
 
図2.2−2 AP215における業務フロー 
 |