日本財団 図書館


別図第3号 インマルサットA型の無線設備及び海域で運用される構造物上に開設する無線局であってインマルサット人工衛星局の中継によリ無線通信を行うものの無線設備の変調器及び復調器の振幅周波数特性

 

255-1.gif

 

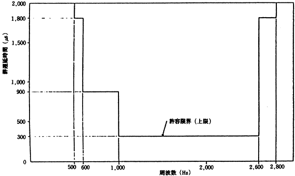
別図第4号 インマルサットA型の無線設備及び海域で運用される構造物上に開設する無線局であってインマルサット人工衛星局の中継により無線通信を行うものの無線設備の変調器及び復調器の群遅延歪(ひずみ)周波数特性

 

255-2.gif

 

 

 

前ページ   目次へ   次ページ

 






日本財団図書館は、日本財団が運営しています。

  • 日本財団 THE NIPPON FOUNDATION